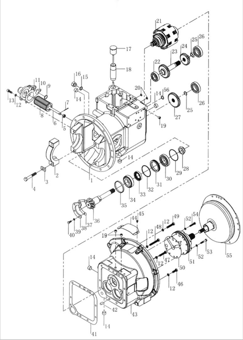
序號 | 圖號 | 名稱 | 數量 | 所用型號 |
1 | YQX25AS-0102 | 殼體 | 1 | YQX18、YQX25 |
YQX30AS-0101 | YQX30 | |||
2 | YQX25-0101 | 軸承座 | 2 | YQX18、YQX25 |
YQX30-0102 | YQX30 | |||
3 | YQX25-0004 | 鎖片 | 4 | YQX18、YQX25 |
YQX30-0023 | YQX30 | |||
4 | YQX30-0101 | 螺栓 | 4 | 通用 |
5 | GB6181-86 | 螺母M12 | 1 | 通用 |
6 | YQX30AS-0502 | 螺桿 | 1 | 通用 |
7 | GB91-86 | 開口銷3×30 | 1 | 通用 |
8 | YQX30AS-0510 | 濾網組件 | 1 | 通用 |
9 | GB1235-76 | O形密封圈 | 1 | 通用 |
28×2.4 | ||||
10 | YQX30AS-0503 | 紙墊 | 1 | 通用 |
11 | YQX30AS-0501 | 油濾座 | 1 | 通用 |
12 | GB93-87 | 墊圈10 | 14 | 通用 |
13 | GB70-85 | 螺釘M10×30 | 5 | 通用 |
14 | JB/ZQ4446-86 | 螺塞R1/2 | 5 | 通用 |
15 | Q20-03 | 密封墊 | 1 | 通用 |
18×24×2 | ||||
16 | JDS30-0046 | 螺塞 | 1 | 通用 |
17 | YQX30-0400 | 加油器蓋組件 | 1 | 通用 |
18 | YQX30-0007 | 加油管 | 1 | 通用 |
19 | JB/ZQ4446-86 | 螺塞R1/4 | 3 | 通用 |
20 | GB1235-76 | O形密封圈 | 2 | 通用 |
15×2.4 | ||||
21 | YQX18-1000 | 離合器總成 | 1 | YQX18 |
YQX30-1000A | YQX25、YQX30 | |||
22 | GB276-94 | 球軸承6206 | 1 | 通用 |
23 | YQX30-0015 | 惰輪軸 | 1 | 通用 |
24 | YQX30-0013 | 惰輪 | 1 | 通用 |
25 | GB893.1-86 | 孔用彈性擋圈24 | 2 | 通用 |
26 | GB276-94 | 球軸承6207 | 2 | 通用 |
27 | YQX30-0012 | 輸出齒輪 | 1 | 通用 |
28 | YQX30-0014 | 鎖緊螺母 | 1 | 通用 |
29 | YQX30-0016 | 墊片 | 按需 | 通用 |
30 | GB297-94 | 軸承30208 | 1 | 通用 |
31 | YQX30-0001 | 油封保持架 | 1 | 通用 |
32 | GB1235-76 | O形密封圈 | 1 | 通用 |
80×3.1 | ||||
33 | YQX30-0005 | 輸出軸油封 | 1 | 通用 |
34 | GB297-94 | 軸承32208 | 1 | 通用 |
35 | YQX30-0003 | 軸環 | 1 | 通用 |
36 | YQX18-0001 | 輸出軸 | 1 | YQX18 |
YQX25-0001 | YQX25 | |||
YQX30-0011 | YQX30 | |||
37 | YQX30-0002 | 墊片 | 按需 | 通用 |
38 | YQX30-0004 | 支承片 | 1 | 通用 |
39 | GB93-87 | 墊圈8 | 4 | 通用 |
40 | GB5783-86 | 螺栓M8×20 | 4 | 通用 |
41 | YQX30AS-0001 | 墊片 | 1 | 通用 |
42 | GB119-86 | 圓柱銷B12×20 | 2 | 通用 |
43 | YQX30H-0201 | 變矩器外殼 | 1 | 通用 |
44 | YQX30-0202 | 蓋板 | 1 | 通用 |
45 | GB818-85 | 十字槽螺釘 | 2 | 通用 |
M6×12 | ||||
46 | GB5783-86 | 螺栓M10×30 | 4 | 通用 |
47 | GB5783-86 | 螺栓M10×50 | 1 | 通用 |
48 | GB5783-86 | 螺栓M10×75 | 1 | 通用 |
49 | GB5783-86 | 螺栓M10×55 | 3 | 通用 |
50 | YQX30-0010 | 墊片 | 1 | 通用 |
51 | YQX30-3000 | 油泵總成 | 1 | 通用 |
52 | Q20-03 | 密封圈 | 6 | 通用 |
8×14×1.5 | ||||
53 | GB5780-86 | 螺栓M8×45 | 4 | 通用 |
54 | GB5780-86 | 螺栓M8×40 | 2 | 通用 |
55 | YQX30H-6000 | 液力變矩器總成 | 1 | 通用 |
56 | GB1235-76 | O形密封圈 | 1 | 通用 |
24×2.4 |
序號 | 圖號 | 名稱 | 數量 | 所用型號 |
1 | YQX30-0008 | 墊片 | 1 | 通用 |
2 | GB1235-76 | O形密封圈 | 2 | 通用 |
11×1.9 | ||||
3 | YQX30-4000 | 蓋和控制閥總成 | 1 | 通用 |
4 | GB5783-86 | 螺栓M10×55 | 2 | 通用 |
5 | GB93-87 | 彈簧墊圈10 | 16 | 通用 |
6 | GB5783-86 | 螺栓M10×40 | 6 | 通用 |
7 | Q/301 B202 | 紙墊圈 | 2 | 通用 |
14×24×2 | ||||
8 | JK208 | 倒車燈開關 | 2 | 通用 |
9 | YQX30-0300 | 濾油器(Ⅱ) | 1 | 通用 |
10 | YQX30-0022 | 襯墊 | 1 | 通用 |
11 | YQX30-5000 | 微動閥總成 | 1 | 通用 |
12 | GB93-87 | 彈簧墊圈8 | 5 | 通用 |
13 | GB5783-86 | 螺栓M8×25 | 3 | 通用 |
14 | GB5783-86 | 螺栓M8×50 | 2 | 通用 |
15 | YQX25-2000 | 差速器總成 | 1 | YQX18 |
YQX25-2-2000 | YQX25 | |||
YQX30-2000 | YQX30 | |||
16 | YQX25-0002 | 齒軸 | 1 | YQX18、YQX25 |
YQX30-0018 | YQX30 | |||
17 | YQX30-0019 | 襯套 | 1 | 通用 |
18 | YQX18-0002 | 螺旋傘齒輪 | 1 | YQX18 |
YQX25-0003 | YQX25 | |||
YQX30-0020 | YQX30 | |||
19 | GB297-94 | 軸承32207 | 2 | 通用 |
20 | YQX30-0017 | 墊片 | 按需 | 通用 |
(δ=0.1、0.2、0.5) | ||||
21 | YQX30-0021 | 軸承蓋 | 2 | 通用 |
22 | GB1235-76 | O形密封圈 | 2 | 通用 |
75×3.1 | ||||
23 | GB5783-86 | 螺栓M10×25 | 8 | 通用 |
序號 | 圖號 | 名稱 | 數量 | 所用型號 |
1 | YQX30-1100 | 輸入軸組件 | 1 | YQX18 |
YQX30-1100A | YQX25、YQX30 | |||
2 | YQX30-1006 | 密封環(A) | 4 | 通用 |
3 | GB276-94 | 軸承 6206 | 2 | 通用 |
4 | YQX30-1007 | 離合器-止推環(B) | 2 | 通用 |
5 | K35×42×20 | 滾針軸承 | 2 | 通用 |
6 | YQX30-1005 | 倒車檔齒輪 | 1 | 通用 |
7 | YQX30-1003 | 前進檔齒輪 | 1 | 通用 |
8 | YQX30-1008 | 離合器-止推環(A) | 2 | 通用 |
9 | GB894.1-86 | 軸用彈性擋圈 40 | 2 | 通用 |
10 | YQX30-1009 | 彈簧座 | 2 | 通用 |
11 | YQX30-1004 | 回程彈簧 | 2 | 通用 |
12 | YQX30-1014 | 卡環 | 2 | 通用 |
13 | YQX18-1001 | 端板 | 2 | YQX18 |
YQX30-1001 | YQX25、YQX30 | |||
14 | YQX30-1013A | 摩擦片 | 6 | YQX18 |
YQX30-1013B | 8 | YQX25、YQX30 | ||
15 | YQX30-1012A | 隔片 | 6 | YQX18 |
8 | YQX25、YQX30 | |||
16 | YQX30-1002A | 活塞 | 2 | YQX18 |
YQX30-1002B | YQX25、YQX30 | |||
17 | YQX30-1011 | 密封環(B) | 2 | 通用 |
18 | YQX30-1010 | 堵塞 | 2 | 通用 |
19 | GB308-89 | 鋼球3.1750 G200b | 2 | 通用 |
20 | GB1235-76 | O形密封圈40×3.5 | 2 | 通用 |
21 | GB78-85 | 內六角螺釘M8×10 | 2 | 通用 |
22 | YQX18-1002 | 碟形板 | 2 | YQX18 |
YQX30-1016 | YQX25、YQX30 |
序號 | 圖 號 | 名 稱 | 數量 | 所用型號 |
1 | YQX25-2003 | 大齒圈 | 1 | YQX18 |
YQX25-2-2003 | YQX25 | |||
YQX30-2003 | YQX30 | |||
2 | YQX25-2101 | 差速器右半殼 | 1 | YQX18 |
HDCS30-1101 | YQX25 | |||
YQX30-2101 | YQX30 | |||
3 | YQX25-2102 | 差速器左半殼 | 1 | YQX18 |
HDCS30-1102 | YQX25 | |||
YQX30-2102 | YQX30 | |||
4 | YQX30-2104 | 螺栓 | 12 | YQX30 |
5 | YQX30-2103 | 鎖片(B) | 6 | YQX30 |
6 | GB6176-86 | 螺母M10×1.25 | 12 | YQX18 |
28 | YQX30 | |||
7 | YQX25-2002 | 螺栓 | 12 | YQX18 |
HDCS30-1002 | 16 | YQX25 | ||
YQX30-2002 | 16 | YQX30 | ||
8 | YQX25-2001 | 鎖緊墊片 | 6 | YQX18 |
YQX30-2001 | 鎖片(A) | 8 | YQX30 | |
9 | YQX25-2007 | 墊圈 | 2 | YQX18、YQX25 |
YQX30-2007 | YQX30 | |||
10 | YQX25-2009 | 半軸齒輪 | 2 | YQX18、YQX25 |
YQX30-2009 | YQX30 | |||
11 | YQX25-2005/2008 | 十字齒輪軸 | 1 | YQX18、YQX25 |
YQX30-2005/2008 | YQX30 | |||
12 | YQX25-2006 | 行星齒輪 | 4 | YQX18、YQX25 |
YQX30-2006 | YQX30 | |||
13 | YQX25-2004 | 止推墊圈 | 4 | YQX18、YQX25 |
YQX30-2004 | YQX30 | |||
14 | GB276-94 | 深溝球軸承6211 | 2 | YQX18、YQX25 |
深溝球軸承6213 | YQX30 |